Etaux multifonctions
Etau multifonction EMF100
Etau multifonction EMF125
Etau multifonction EMF150
Nos distributeurs
Retrouvez ce produit chez l'un de nos distributeurs près de chez vous
Trouver un distributeurCaractéristiques techniques
Polyvalents et pivotants.
2 axes de rotation.
Corps en fonte (graphite sphéroïdale) avec enclumette.
Double mâchoire.
Mors acier C38 traité (45-48 HRC).
Dispositif incorporé pour le serrage horizontal de tubes.
Vis de serrage et barrette chromées.
Glissière cylindrique grande précision.
Doté d’une tête et d’une base pivotantes à 360° pour obtenir l’angle de travail parfait (verrouillage possible dans n’importe quelle position).
Peinture poudre époxy.
Possibilité de serrer des tôles ou des disques avec la partie prévue à cet effet, en forme de V.
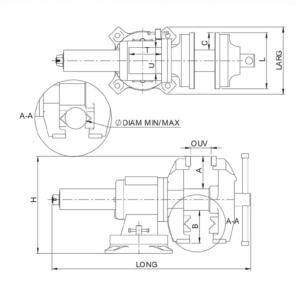
Données techniques
3 modèles disponibles dans la gamme
Découvrez le modèle qui vous convient en comparant les données techniques
| Longueur (mm) | Hauteur (mm) | Ouv (mm) | A (mm) | C (mm) | Diam min/max (mm) | L (mm) | B (mm) | T (mm) | U (mm) | Poids (kg) | ||
|---|---|---|---|---|---|---|---|---|---|---|---|---|
EMF100 | 410 | 235 | 110 | 80 | 70 | 15/30 | 100 | 80 | 70 | 55 | 15,70 | |
EMF125 | 450 | 240 | 135 | 80 | 40 | 15/30 | 125 | 80 | 80 | 65 | 18,60 | |
EMF150 | 460 | 255 | 155 | 85 | 55 | 15/30 | 150 | 85 | 85 | 75 | 22,50 |